Информация о доставки будет отображена для региона
Москва
Помощь покупателю

Мы ценим наших клиентов, и всегда готовы помочь. Вы всегда сможете найти ответы на интересующие вас вопросы.

Подробнее
Сертификаты

Мы строго контролируем весь процесс производства, от проектирования до выпуска готовой продукции. Каждый товар после изготовления проходит тестирование и сертификацию согласно ГОСТам.

Подробнее
Сроки

Гарантия доставки товара точно в срок. При нарушении сроков, мы вернем вам 0,1% от суммы покупки за каждый просроченный день.

Подробнее
Полезное

Краткое описание

Подробнее
8 (800) 301-40-66 8 (996) 702-88-66

Редуктор РЧУ-63

В наличии
19 578 руб.
Срок поставки — 3-7 дней
Гарантия 2 года
Укажие полное наименование и параметры товара
При покупке изделия важно указать его полное условное обозначение
Если вы не знаете полного наименования товара, офомите заказ и наш менеджер поможет вам подобрать необходимое
Условные обозначения
  • Описание
  • Характеристики
  • Габариты и присоединительные размеры

Редуктор РЧУ-63 червячный одноступенчатый универсальный. Предназначен для увеличения крутящего момента и снижении частоты вращения вала в приводах механизмов и машин, применяется в заводском оборудовании.

Червячный редуктор типа РЧУ-63 надежен и прост в конструкции, неприхотлив в ремонте и обслуживании, подходит для долговременной работы в тяжелых условиях. Вал редуктора может одинаково эффективно работать и в прямом, и в обратном направлениях.

В нашем интернет-магазине вы можете купить редуктор РЧУ-63 по выгодной цене. Оформить заказ можно как онлайн, воспользовавшись виртуальной корзиной, так и по телефонам.

Вариант сборки51, 52, 53, 56
Высота210
Длина273
Исполнение конца выходного валаК, Ц, П
Категория размещения1, 2, 3, 4
Климатическое исполнениеУ, Т
Количество ступеней (передач)1
Масса13.1
Передаточное отношение (число)8, 10, 12.5, 16, 20, 25, 31.5, 40, 50, 63, 80
СерияРЧУ
Типчервячный
Типоразмер (межосевое расстояние)63
Цена19578
Частота вращения входного вала1500
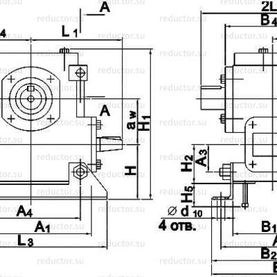
Редуктор РЧУ-63 - Габаритные размеры
Редуктор РЧУ-63 - Габаритные размеры
Редуктор РЧУ-63 - Размеры концов валов
Редуктор РЧУ-63 - Размеры концов валов
Типоразмер редуктрора aw A1 A2 A3 A4 B1 B2 B3 B4 H H1 H2 H3 H4 H5 L1 L2 L3 L4 L5 b1 b2 d1 d2 d3 d4
мм
РЧУ-63 63 180 165 42 150 125 197 219 145 82 225 59 45 40 155 145 120 220 100 36 6 8 22 28 20.2 14
Типоразмер редуктрора d5 d6 d7 d8 d9 d10 h1 h2 l1 l2 l3 l4 l5 l6 l7 l8 s t1 t2
мм
РЧУ-63 M8 10,5 16 33 70 13 4 7 36 42 20 20 8 68 20 108 5 2,5 24
Вы искали

Редуктор РЧУ-63
19 578руб.
Редуктор РЧУ-63 О товаре
Грязевики фланцевые
0руб.
Грязевики фланцевые О товаре
Манометр образцовый МО
4 950руб.
Манометр образцовый МО О товаре
Кран ALSO KШ.М.П.GAS
0руб.
Кран ALSO KШ.М.П.GAS О товаре
Электродвигатель ВА160М4
95 000руб.
Электродвигатель ВА160М4 О товаре
Кран ALSO KШ.X.P.GAS
0руб.
Кран ALSO KШ.X.P.GAS О товаре
Кран ALSO KШ.П.П.GAS
0руб.
Кран ALSO KШ.П.П.GAS О товаре
Клапан 19с47нж
19 000руб.
Клапан 19с47нж О товаре
Мотор-редуктор 4МЦ2С-80
49 000руб.
Мотор-редуктор 4МЦ2С-80 О товаре
Кран ALSO KШ.Ф.GAS
0руб.
Кран ALSO KШ.Ф.GAS О товаре
Категория размещения — адаптированность механизма для использования в определенном месторасположении.
Категория 1 — эксплуатация на открытом воздухе.
Категория 2 — эксплуатация под навесом или в помещениях, где колебания влажности воздуха не сильно отличаются от колебаний на открытом воздухе.
Категория 3 — эксплуатация в помещениях со значительно меньшими колебаниями температуры и влажности, чем на открытом воздухе.
Категория 4 — эксплуатация в закрытых обогреваемых и вентилируемых помещениях.
Категория 5 — эксплуатация в помещениях с повышенной влажностью.

Расшифровка редуктора РЧУ-63

Редуктор РЧУ-63-16-56-Ц-У-2, где:

РЧУ - серия редуктора;

63 - межосевое расстояние выходной ступени, мм;

16 - передаточное отношение;

56 - вариант сборки;

Ц - исполнение конца выходного вала;

У - климатическое исполнение;

2 - категория размещения по ГОСТ 15150-69.

Ознакомиться с условиями отсрочки
платежа вы можете позвонив нам по
телефону: 8 (800) 100-71-44.