Информация о доставки будет отображена для региона
Москва
Помощь покупателю

Мы ценим наших клиентов, и всегда готовы помочь. Вы всегда сможете найти ответы на интересующие вас вопросы.

Подробнее
Сертификаты

Мы строго контролируем весь процесс производства, от проектирования до выпуска готовой продукции. Каждый товар после изготовления проходит тестирование и сертификацию согласно ГОСТам.

Подробнее
Сроки

Гарантия доставки товара точно в срок. При нарушении сроков, мы вернем вам 0,1% от суммы покупки за каждый просроченный день.

Подробнее
Полезное

Краткое описание

Подробнее
8 (800) 301-40-66 8 (996) 702-88-66

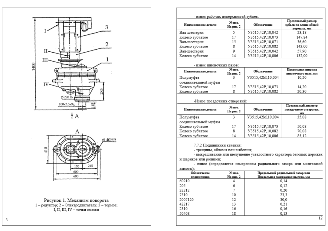
Редуктор поворота башенного крана У-3515

В наличии
199 500 руб.
Срок поставки — 3-7 дней
Гарантия 2 года
Укажие полное наименование и параметры товара
При покупке изделия важно указать его полное условное обозначение
Если вы не знаете полного наименования товара, офомите заказ и наш менеджер поможет вам подобрать необходимое
Условные обозначения
  • Характеристики
  • Габариты и присоединительные размеры
  • Условия применения
  • Безопасность

Максимальный крутящий момент на выходном звене редуктора, kНм140
Номинальный режим работыМ3
Тормозной момент, не более60
Габаритные размеры410x680x1400
Масса390
Цена199500
Максимальная мощность электродвигателя при ПВ=40%5
ТормозСпециальный
Тип электромагнита тормозаМО-100Б или МО-100Т

Механизм поворота У3515.42С2- 121и в том числе редуктор механизма поворота У3515.42С.1.10 (сборочная единица механизма поворота) предназначены для вращения поворотной части башенного крана вокруг вертикальной оси.

  • Механизм поворота должен быть надежно закреплен на поворотной платформе
  • Механизм поворота должен быть заземлен.
  • Запрещается смазывать, регулировать и ремонтировать механизм во время работы.
Вы искали

Категория размещения — адаптированность механизма для использования в определенном месторасположении.
Категория 1 — эксплуатация на открытом воздухе.
Категория 2 — эксплуатация под навесом или в помещениях, где колебания влажности воздуха не сильно отличаются от колебаний на открытом воздухе.
Категория 3 — эксплуатация в помещениях со значительно меньшими колебаниями температуры и влажности, чем на открытом воздухе.
Категория 4 — эксплуатация в закрытых обогреваемых и вентилируемых помещениях.
Категория 5 — эксплуатация в помещениях с повышенной влажностью.
Ознакомиться с условиями отсрочки
платежа вы можете позвонив нам по
телефону: 8 (800) 100-71-44.