Информация о доставки будет отображена для региона
Москва
Помощь покупателю

Мы ценим наших клиентов, и всегда готовы помочь. Вы всегда сможете найти ответы на интересующие вас вопросы.

Подробнее
Сертификаты

Мы строго контролируем весь процесс производства, от проектирования до выпуска готовой продукции. Каждый товар после изготовления проходит тестирование и сертификацию согласно ГОСТам.

Подробнее
Сроки

Гарантия доставки товара точно в срок. При нарушении сроков, мы вернем вам 0,1% от суммы покупки за каждый просроченный день.

Подробнее
Полезное

Краткое описание

Подробнее
8 (800) 301-40-66 8 (996) 702-88-66

Редуктор Ц2У-355-31,5-12

В наличии
205 000 руб.
Срок поставки — 3-7 дней
Гарантия 2 года
Укажие полное наименование и параметры товара
При покупке изделия важно указать его полное условное обозначение
Если вы не знаете полного наименования товара, офомите заказ и наш менеджер поможет вам подобрать необходимое
Условные обозначения
  • Описание
  • Характеристики
  • Габариты и присоединительные размеры

Редуктор Ц2У-355-31,5-12 цилиндрический двухступенчатый горизонтальный общемашиностроительного назначения. Предназначен для уменьшения числа оборотов и увеличения крутящих моментов в приводах машин и механизмов. Применяется практически во всех промышленных отраслях и расcчитан как на постоянную, так и на переменную нагрузку.

Редуктор типа Ц2У-355-31,5-12 обладает высоким КПД (до 97%), а также отличается повышенной надёжностью и длительным сроком эксплуатации (даже в условиях интенсивной нагрузки и в сложных климатических условиях).

В нашем интернет-магазине вы можете купить редуктор Ц2У-355-31,5-12 по выгодной цене. Оформить заказ можно как онлайн, воспользовавшись виртуальной корзиной, так и по телефонам. В комплект поставки входит редуктор в собранном виде и паспорт. Допускается поставка одного паспорта на партию редукторов в один адрес.

Типцилиндрический
СерияЦ2У
Типоразмер (межосевое расстояние)355
Количество ступеней (передач)2
Передаточное отношение (число)31.5
Вариант сборки12
Частота вращения входного вала1500
Номинальный крутящий момент на выходном валу20000
Масса700
Высота740
Ширина760
Длина1170
Климатическое исполнениеУ, Т
Категория размещения1, 2, 3, 4
Исполнение конца выходного валаЦ, М, П
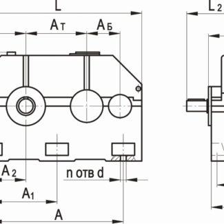
Редуктор Ц2У-355-31,5-12 — Габаритные и присоединительные размеры
Редуктор Ц2У-355-31,5-12 — Габаритные и присоединительные размеры
Редуктор Ц2У-355-31,5-12 — Размеры концов валов
Редуктор Ц2У-355-31,5-12 — Размеры концов валов
Типоразмер редуктора AТ AБ L I A1 A2 L2 L3 H H1 A B B1 B2 d h n
не более
мм шт
Ц2У-355-31,5-12 355 225 1170 405 425 250 320 440 740 375 850 435 360 280 28 35±4 6
Типоразмер редуктора d l b t d1 l1 b1 t1
мм
Ц2У-355-31,5-12 55 110 16 59 125 210 32 132
Вы искали

Редуктор Ц2У-355-31,5-12
205 000руб.
Редуктор Ц2У-355-31,5-12 О товаре
Насос UNIPUMP 4SKM 150
0руб.
Насос UNIPUMP 4SKM 150 О товаре
Насос UNIPUMP MINI ECO 2-46
0руб.
Насос UNIPUMP MINI ECO 2-46 О товаре
Категория размещения — адаптированность механизма для использования в определенном месторасположении.
Категория 1 — эксплуатация на открытом воздухе.
Категория 2 — эксплуатация под навесом или в помещениях, где колебания влажности воздуха не сильно отличаются от колебаний на открытом воздухе.
Категория 3 — эксплуатация в помещениях со значительно меньшими колебаниями температуры и влажности, чем на открытом воздухе.
Категория 4 — эксплуатация в закрытых обогреваемых и вентилируемых помещениях.
Категория 5 — эксплуатация в помещениях с повышенной влажностью.

Расшифровка редуктора

Редуктор Ц2У-355-31,5-12-П-У-3, где

Ц2У - серия редуктора

355 - межосевое расстояние выходной ступени, мм

31,5 - передаточное отношение

12 - вариант сборки

П - исполнение конца выходного вала

У - климатическое исполнение

3 - категория размещения по ГОСТ 15150-69

Ознакомиться с условиями отсрочки
платежа вы можете позвонив нам по
телефону: 8 (800) 100-71-44.